حساس دركسون جمس/سوبربان/يوكن/تاهو 14/07 سفانا 15/07⭐⭐⭐

GMC & CHEVROLET & HUMMER

745

860

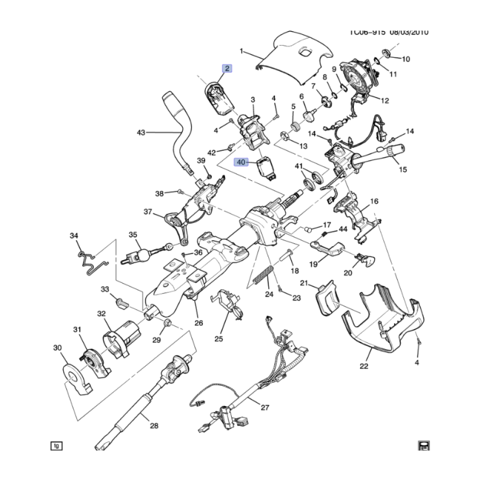
حساس دركسون (Steering Wheel Position Sensor) – GM سيارات متعددة 2007–2015

🎯 حساس دركسون بجودة عالية – تحكم دقيق وثبات لنظام التوجيه الإلكتروني ⚙️🧭

🟢 متوافق مع مجموعة واسعة من سيارات جنرال موتورز:

✅ Cadillac

  • Escalade 2007–2014

✅ Chevrolet

  • Avalanche 2007–2013
  • Express 1500/2500/3500/4500 2008–2015
  • Silverado 1500/2500/3500 2007–2014
  • Suburban 1500/2500 2007–2014
  • Tahoe 2007–2014

✅ GMC

  • Savana 1500/2500/3500/4500 2008–2015
  • Sierra 1500/2500/3500 2007–2014
  • Yukon / Yukon XL 1500/2500 2007–2014

✅ Hummer

  • H2 2007–2009

🔧 الوظيفة: قياس زاوية ميل المقود لتفاعل أفضل مع نظام الثبات الإلكتروني ESP🔩 التركيب: مباشر – يُركّب على عمود الدركسون🛠️ أعراض العطل: لمبة ESP أو لمبة ABS – مشاكل في ثبات السيارة عند المنعطفات🚚 شحن سريع لجميع مناطق المملكة + دعم فني عبر واتساب للتأكد من التوافق 💬


Read more
Weight 1 KG

745

860
Add to cart