جوزة مقص فوقاني جمس/سفانا/H2/سلفرادو 14/00 8 مسمار⭐⭐⭐

GMC & CHEVROLET & HUMMER

140

345

💡 جوزة مقص فوقاني جمس / سفانا / سلفرادو / همر H2 2000–2014 (8 مسمار) ⭐⭐⭐

📝 الوصف المختصر

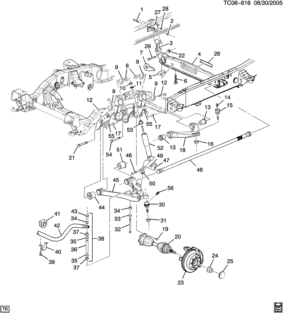
جوزة مقص فوقاني (Upper Ball Joint) أصلية أو بديلة بجودة عالية، وظيفتها ربط المقص العلوي مع الدفرنس الأمامي (الساعد/الكنترول آرم) لضمان حركة سلسة ودقيقة للتعليق الأمامي.

مصممة لتحمل الأوزان الثقيلة والمطبات القاسية خصوصًا في سيارات الدفع الرباعي والشاحنات.

🚗 الموديلات المتوافقة

CHEVROLET

  • Avalanche 2500 — 2002–2006
  • Express 2500 — 2003–2019
  • Express 3500 — 2003–2019
  • Express 4500 — 2009–2017
  • Silverado 1500 — 2001–2006
  • Silverado 1500 Classic — 2007
  • Silverado 2500 — 1999–2010
  • Silverado 2500 Classic — 2007
  • Silverado 3500 — 2001–2010
  • Silverado 3500 Classic — 2007
  • Suburban 2500 — 2000–2012

GMC

  • Savana 2500 — 2003–2019
  • Savana 3500 — 2003–2018
  • Savana 4500 — 2009–2017
  • Sierra 1500 — 2001–2010
  • Sierra 1500 Classic — 2007
  • Sierra 2500 — 1999–2010
  • Sierra 2500 Classic — 2007
  • Sierra 3500 — 2001–2010
  • Sierra 3500 Classic — 2007
  • Sierra Denali — 2010
  • Yukon XL 2500 — 2000–2012

HUMMER

  • H2 — 2003–2009

⚙️ مواصفات المنتج

  • 🧩 القطعة: جوزة مقص فوقاني (Upper Ball Joint – 8 Bolt)
  • 🛡 الجودة: أصلي (OEM) / بديل تجاري متوفر
  • 📌 الوظيفة: ربط المقص العلوي بالعجلة الأمامية لضمان حركة التعليق بدقة
  • 🧪 الخامة: فولاذ مقوى + رأس كروي (Ball Joint) مع جلدة مطاطية مقاومة للأتربة والزيوت
  • 🔧 التركيب: مباشر – يثبت بـ 8 مسامير

🏷️ تفاصيل المنتج

  • 📦 الكمية: متوفر (يُباع بالقطعة – يمين أو يسار)
  • 🗂️ التصنيف: نظام التعليق > جوزات ومقاصات
  • ⏳ حالة الجرد: ✅ متوفر

📌 ملاحظات المحمادي

  • ✅ مقاس 8 مسمار (Heavy Duty) خاص بالحمولات الثقيلة
  • ✅ عند تلفها يظهر طقطقة أو خلخلة بالعجلة الأمامية
  • 🚚 شحن لجميع مناطق المملكة والخليج
  • ⏰ تجهيز الطلب خلال 24 ساعة
Read more
Weight 1 KG

140

345
Add to cart