مساعد امامي اكسيرجن 05/00 دبل 4WD⭐⭐⭐

Ford &MOTARCRAF & LINCOLN

345

460

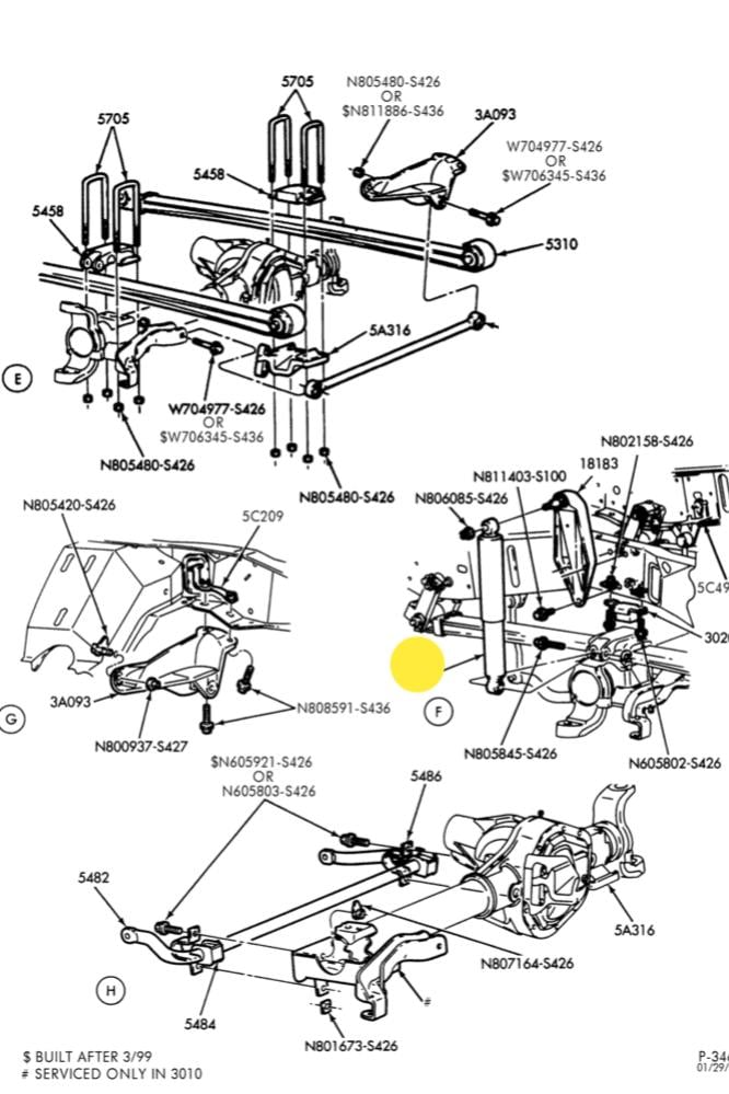
🛠️ مساعد أمامي (دبل) – فورد إكسيـرچن | 2000–2005🔧 مساعد أمامي مخصص للسيارات ذات الدفع الرباعي (4x4) – مصمم لتحمل الطرق الوعرة والأوزان الثقيلة

الوصف الفني:

  • الاسم: مساعد أمامي (Front Shock Absorber – 4WD)
  • النوع: خاص بـ نظام الدفع الرباعي (دبل / 4x4)
  • الموقع: أمامي – يُركب على الجهتين (يمين أو يسار)
  • الحالة: جديد 100%
  • الجودة: بديل مطابق للمواصفات الأصلية OEM
  • الخامة: فولاذ مقاوم للصدأ – ضغط غاز أو زيت (حسب النوع)
  • الملاحظات:
  • يُنصح بتغيير المساعدين معًا لضمان توازن القيادة
  • يُفضّل عمل وزن أذرعة بعد التركيب

🚗 الموديلات المتوافقة:

  • FORD EXCURSION (4x4): من 2000 إلى 2005
  • (جميع الفئات بمحور أمامي دبل)
لضمان التوافق بدقة، يرجى إرسال رقم الهيكل (VIN) أو صورة المساعد القديم عبر واتساب.

📦 الشحن والتوصيل:

  • 🚚 شحن سريع لجميع مدن المملكة
  • 📦 تغليف محكم ضد الانثناء أو التسرب
  • ⏱️ تجهيز الطلب خلال 1 – 4 أيام عمل
  • ⚠️ تنويه: تنتهي مسؤوليتنا بعد تسليم الطلب لشركة الشحن

📲 دعم فني عبر واتساب:

  • ✅ تأكيد التوافق برقم الهيكل
  • 💬 استشارات فنية قبل وبعد البيع
  • 📸 صور المنتج متوفرة عند الطلب
Read more
Weight 1 KG

345

460
Add to cart