جلدة عامود توازن امامي اكسيرجن 05/00⭐⭐⭐

Ford &MOTARCRAF & LINCOLN

138

161

📝 بطاقة المنتج💡 جلدة عمود توازن أمامي فورد إكسيكـرشن 2000–2005 ⭐⭐⭐

📝 الوصف المختصر

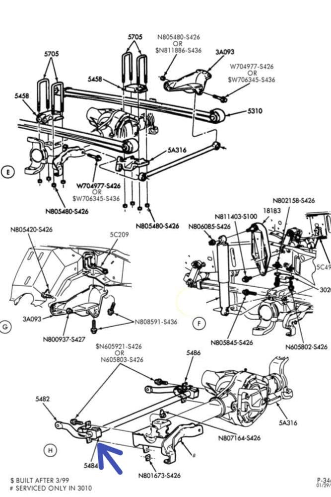
جلدة عمود توازن أمامي (Stabilizer Bar Bushing) عالية الجودة، تركب على عمود التوازن الأمامي وتعمل على تثبيته وتقليل الاهتزازات والاحتكاك، مما يمنح ثباتًا أفضل وتحكمًا آمنًا أثناء القيادة.

🚗 الموديلات المتوافقة

  • FORD EXCURSION — 2000–2005

⚙️ مواصفات المنتج

  • 🧩 القطعة: جلدة عمود توازن أمامي (Front Stabilizer Bar Bushing)
  • 🛡 الجودة: أصلي (OEM) أو بديل مطابق للمواصفات
  • 📌 الوظيفة: تثبيت عمود التوازن وتقليل الضوضاء والاهتزاز
  • 🔧 مصنوعة من خامات مطاطية عالية المقاومة للتحمل والمرونة

🏷️ تفاصيل المنتج

  • 📦 الكمية: متوفر (تباع بالحبة)
  • 🗂️ التصنيف: نظام التعليق > جلود وأذرعة
  • ⏳ حالة الجرد: ✅ متوفر

📌 ملاحظات المحمادي

  • ✅ يفضل تغييره عند وجود طقطقة أو اهتزاز من الأمام
  • ✅ يُنصح بتغييرها زوجية (يمين + يسار) لثبات أفضل
  • 🚚 شحن لجميع مناطق المملكة والخليج
  • ⏰ تجهيز الطلب خلال 24 ساعة
قراءة المزيد
الوزن 1 كجم

138

161
إضافة للسلة