حساس كم شفت AST/CT5/CT6/XT5/XT6/XTS/بليزر/اكاديا/كلورادو 24/17⭐⭐⭐

GMC & CHEVROLET & HUMMER

375

460
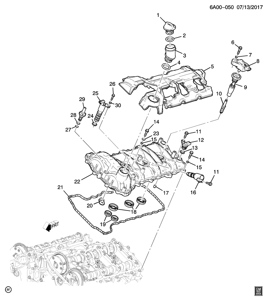
  • حساس كم شفت (Camshaft Position Sensor) | GM | 2017–2024 | ⭐⭐⭐
  • 💡 اسم المنتج
  • حساس كم شفت GM | 2017–2024 | ⭐⭐⭐
  • (AST / CT5 / CT6 / XT5 / XT6 / XTS / بليزر / أكاديا / كلورادو)
  • 📝 وصف مختصر
  • حساس الكم شفت مسؤول عن قراءة وضع عمود الكامات وإرسال الإشارة لكمبيوتر السيارة لضبط توقيت الشرارة والحقن بدقة.
  • القطعة بديلة مطابقة لمواصفات الوكالة OEM Fitment وتساعد على ثبات الأداء، تحسين التشغيل، وتقليل استهلاك الوقود.
  • 🚗 الموديلات المتوافقة
  • BUICK
  • LaCrosse — 2017–2019
  • Regal Sportback — 2018–2020
  • CADILLAC
  • ATS — 2018–2019
  • CT5 — 2020–2024
  • CT6 — 2016–2020
  • CTS — 2016–2019
  • XT5 — 2017–2024
  • XT6 — 2020–2024
  • XTS — 2018–2019
  • CHEVROLET
  • Blazer — 2019–2024
  • Camaro — 2016–2024
  • Colorado — 2017–2022
  • GMC
  • Acadia — 2016–2023
  • Canyon — 2017–2022
  • ملاحظة: قد يختلف عدد الحساسات أو موقعها حسب سعة المحرك (يمين/يسار أو علوي/سفلي). يُفضّل التأكد برقم الشاصي (VIN).
  • ⚙️ مواصفات المنتج
  • 🔹 القطعة: حساس كم شفت (Camshaft Position Sensor)
  • 🔹 الوظيفة: ضبط توقيت المحرك بدقة
  • 🔹 الإشارة: ثابتة ودقيقة
  • 🔹 الخامة: حساس إلكتروني عالي الجودة
  • 🔹 التركيب: Plug & Play مطابق للأصلي
  • 🔹 الجودة: ⭐⭐⭐ بديل ممتاز
  • 🔹 الحالة: جديد 100%
  • 🛠️ ملاحظات المحمادي
  • ✅ لمبة المكينة، تقطيع، أو صعوبة تشغيل قد تكون بسبب حساس كم شفت تالف
  • ✅ يُنصح بفحص الفيشة والظفيرة قبل الاستبدال
  • 🚚 تنتهي مسؤوليتنا بعد تسليم الشحنة لشركة النقل
قراءة المزيد
الوزن 1 كجم

375

460
إضافة للسلة