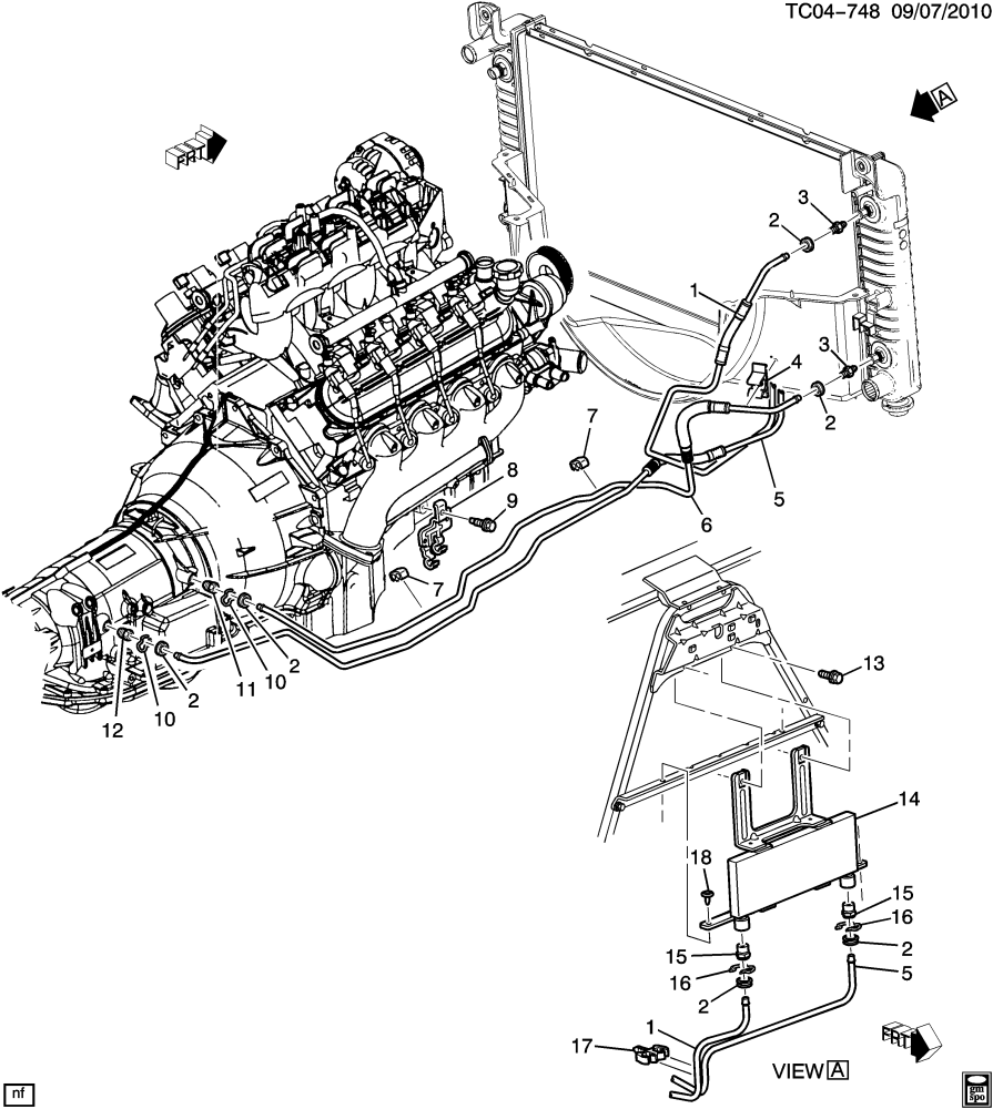
ماسورة مبرد زيت جمس سفانا/سلفرادو/سيرا06/01⭐⭐⭐

GMC & CHEVROLET & HUMMER

345

575

💡 اسم المنتج:

ماسورة مبرد زيت جمس / سلفرادو / سوبربان / سيرا | 2000–2007 | ⭐⭐⭐

📝 وصف مختصر:

ماسورة مبرد زيت (Engine Oil Cooler Line) مخصصة لسيارات جمس سيرا / يوكن XL 2500 وشفروليه سلفرادو / سوبربان موديلات 2000–2007.

تعمل على نقل زيت المحرك من القير أو المحرك إلى المبرد (Oil Cooler) للمحافظة على درجة حرارة التشغيل المثالية ومنع ارتفاع الحرارة.

جودة ⭐⭐⭐ عالية مطابقة للمواصفات الأصلية OEM مصممة لتحمّل الضغط العالي والحرارة وتمنع تسرب الزيت.

🚗 الموديلات المتوافقة:

CHEVROLET

• Silverado 1500 — 2001–2006

• Silverado 1500 Classic — 2007

• Silverado 2500 / 3500 — 2000–2006

• Silverado 2500 / 3500 Classic — 2007

• Suburban 2500 — 2000–2006

GMC

• Sierra 1500 — 2001–2006

• Sierra 1500 Classic — 2007

• Sierra 2500 / 3500 — 2000–2006

• Sierra 2500 / 3500 Classic — 2007

• Yukon XL 2500 — 2000–2006

⚙️ مواصفات المنتج:

💠 القطعة: ماسورة مبرد زيت (Engine Oil Cooler Line)

⚙️ الوظيفة: نقل زيت المحرك أو القير إلى المبرد للحفاظ على درجة الحرارة المثالية

🧱 الخامة: أنبوب معدني مطلي ضد الصدأ مزوّد بوصلات مطاطية مقاومة للحرارة

🧪 الجودة: ⭐⭐⭐ بديل مطابق للمواصفات الأصلية OEM

🔩 التركيب: مباشر بدون تعديل

📦 الحالة: جديد 100%

🛠️ ملاحظات المحمادي:

✅ يُنصح بفحص مستوى الزيت بعد التركيب

✅ يُفضل تركيبها لدى فني مختص لتفادي التسربات

⚠️ تأكد من رقم الهيكل (VIN) قبل الطلب لضمان التوافق الصحيح

🚚 تنتهي مسؤوليتنا بعد تسليم الشحنة لشركة النقل

🧾 تفاصيل إضافية:

🗂️ التصنيف: نظام التبريد > مبرد الزيت > أنابيب التوصيل

⏳ التوفر: ✅ متوفر

🚚 التوصيل: خلال 2–5 أيام داخل المملكة

🌍 الشحن: متاح لجميع مناطق الخليج

قراءة المزيد
الوزن 0.5 كجم

345

575
إضافة للسلة