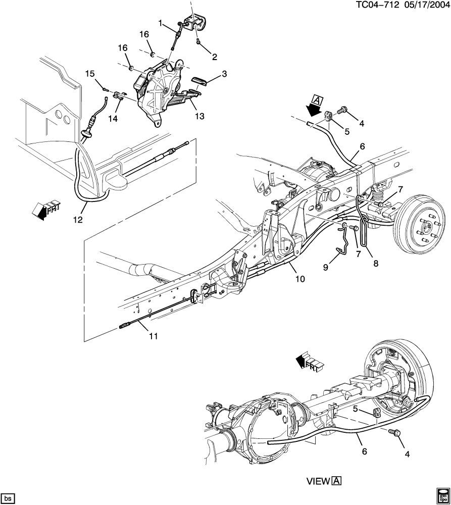
سلك جلنط خلفي يسار سلفرادو//سيرا 09/07⭐⭐⭐

GMC & CHEVROLET & HUMMER

375

460
  • 💡 اسم المنتج
  • سلك جلنط خلفي يسار سلفرادو / سيرا | 2007–2009 | ⭐⭐⭐
  • 📝 وصف مختصر
  • سلك الجلنط الخلفي (Parking Brake Cable) مسؤول عن تشغيل فرامل التوقف (اليد) بكفاءة وثبات، ويضمن تثبيت السيارة بأمان عند الوقوف.
  • القطعة بديلة مطابقة لمواصفات الوكالة OEM Fitment وتعمل بسلاسة دون تعليق أو شد زائد.
  • 🚗 الموديلات المتوافقة
  • CHEVROLETSILVERADO 1500 — 2007–2009
  • SILVERADO 1500 CLASSIC — 2007
  • GMC
  • SIERRA 1500 — 2007–2009
  • SIERRA 1500 CLASSIC — 2007
  • (الجهة: خلفي يسار)
  • ⚙️ مواصفات المنتج
  • 🔹 القطعة: سلك جلنط (Parking Brake Cable)
  • 🔹 المكان: خلفي — يسار
  • 🔹 الوظيفة: تشغيل وتثبيت فرامل اليد
  • 🔹 الخامة: سلك فولاذي مقوّى مع غلاف واقٍ مقاوم للصدأ
  • 🔹 التركيب: جاهز للتركيب Plug & Play
  • 🔹 الجودة: ⭐⭐⭐ بديل ممتاز
  • 🔹 الحالة: جديد 100%
  • 🛠️ ملاحظات المحمادي
  • ✅ ضعف مسك الجلنط أو عدم رجوعه غالباً بسبب سلك مهترئ أو عالق
  • ✅ يُفضّل فحص السلك المقابل (يمين) لضمان توازن الفرامل
  • 🚚 تنتهي مسؤوليتنا بعد تسليم الشحنة لشركة النقل
قراءة المزيد
الوزن 2 كجم

375

460
إضافة للسلة