كرسي مساعد خلفي كروز 16/10

138

275
  • 🛠️ كرسي مساعد أمامي شفروليه كروز / بويك فيرانو
  • جودة ممتازة ⭐⭐⭐ | بديل مطابق للأصلي
  • 🚗 الموديلات المتوافقة:
  • BUICK VERANO — 2012–2017
  • CHEVROLET CRUZE — 2010–2015
  • CHEVROLET CRUZE LIMITED — 2016
  • CHEVROLET SPARK EV — 2015–2016
  • CHEVROLET VOLT — 2011–2015
  • 📝 الوصف:
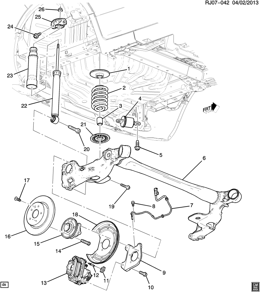
  • كرسي مساعد علوي (Strut Mount) وظيفته تثبيت المساعد وامتصاص الاهتزازات والصدمات وتحسين ثبات السيارة عند المطبات والمنعطفات، مما يقلل الأصوات والرجّة أثناء القيادة.
  • ⚙️ المواصفات الفنية:
  • النوع: كرسي مساعد / قاعدة مساعد علوي
  • الموقع: أمامي
  • الخامة: مطاط مقوى + معدن مقاوم للضغط
  • الوظيفة: تثبيت المساعد وتقليل الاهتزاز
  • الحالة: جديد
  • الجودة: بديل مطابق لمواصفات المصنع
  • 🛠️ ملاحظات المحمادي:
  • ✔️ مناسب للشحن لجميع مناطق المملكة
  • ✔️ يُنصح بتغييره عند وجود طقطقة أو صوت مع المطبات
  • ✔️ تركيب مباشر بدون تعديل
  • ⚠️ تنتهي مسؤوليتنا بعد تسليم الشحنة لشركة النقل
قراءة المزيد
الوزن 1.5 كجم

138

275
إضافة للسلة