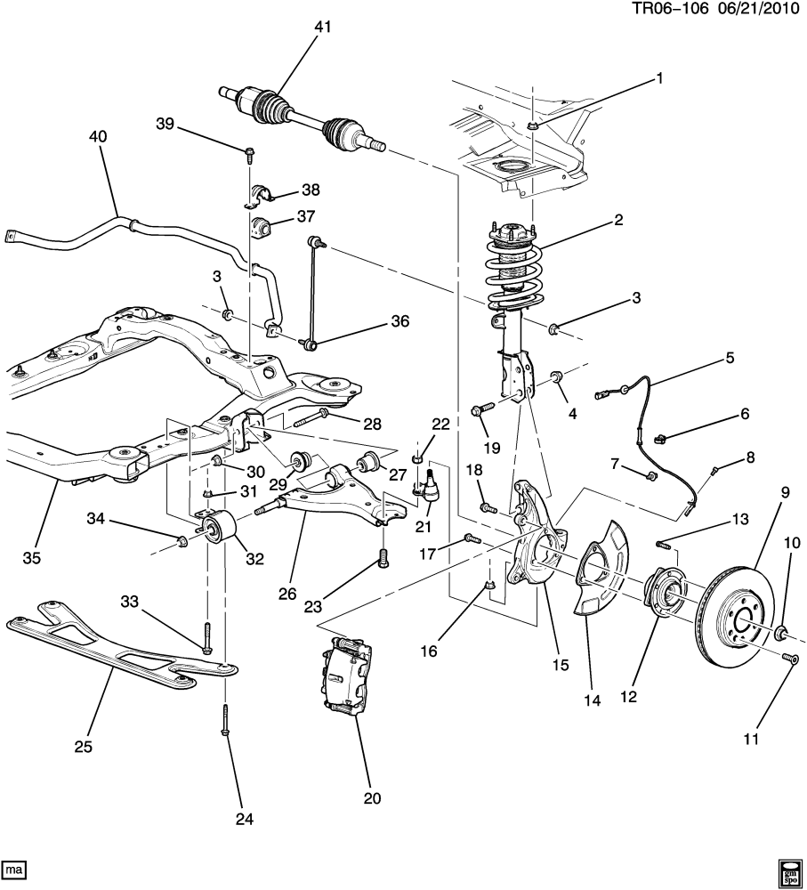
جوزة مقص تحتاني اكاديا/ترفيس 17/07

GMC & CHEVROLET & HUMMER

175

575
  • BUICK ENCLAVE 2008-2017
  • CHEVROLET TRAVERSE 2009-2017
  • GMC ACADIA 2007-2016
  • GMC ACADIA LIMITED 2017
  • SATURN OUTLOOK 2007-2010
الوزن 10 كجم

175

575
إضافة للسلة