سلك جلنط خلفي سلفرادو//سيرا 09/07 ((من نوع المنتج اختيار الجهه))⭐⭐⭐

GMC & CHEVROLET & HUMMER

575

690
  • سلك جلنط خلفي شفروليه سلفرادو / جمس سيرا | 2007–2009 | ⭐⭐⭐
  • 💡 اسم المنتج
  • سلك جلنط خلفي سلفرادو / سيرا | 2007–2009 | ⭐⭐⭐
  • (اختيار الجهة: يمين / يسار)
  • 📝 وصف مختصر
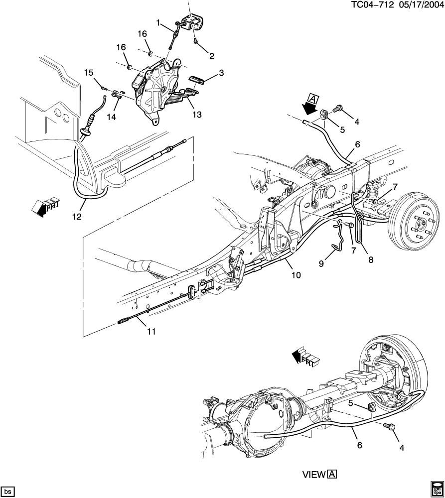
  • سلك الجلنط الخلفي (Parking Brake Cable) مسؤول عن تشغيل فرامل التوقف (اليد) وتثبيت السيارة بأمان عند الوقوف.
  • القطعة بديلة مطابقة لمواصفات الوكالة OEM Fitment وتعمل بسلاسة دون تعليق أو شد زائد.
  • 🚗 الموديلات المتوافقة
  • CHEVROLETSILVERADO 1500 — 2007–2009
  • SILVERADO 1500 CLASSIC — 2007
  • GMC
  • SIERRA 1500 — 2007–2009
  • SIERRA 1500 CLASSIC — 2007
  • ⚙️ مواصفات المنتج
  • 🔹 القطعة: سلك جلنط (Parking Brake Cable)
  • 🔹 المكان: خلفي
  • 🔹 الجهة: يتم اختيارها من نوع المنتج
  • ▫️ خلفي يمين
  • ▫️ خلفي يسار
  • 🔹 الخامة: سلك فولاذي مقوّى مع غلاف واقٍ مقاوم للصدأ
  • 🔹 التركيب: جاهز للتركيب Plug & Play
  • 🔹 الجودة: ⭐⭐⭐ بديل ممتاز
  • 🔹 الحالة: جديد 100%
  • 🛠️ ملاحظات المحمادي
  • ✅ ضعف مسك الجلنط أو عدم رجوعه غالباً يكون بسبب سلك مهترئ
  • ✅ يُفضّل فحص السلكين (يمين + يسار) لضمان توازن فرامل التوقف
  • 🚚 تنتهي مسؤوليتنا بعد تسليم الشحنة لشركة النقل
قراءة المزيد
الوزن 2 كجم

575

690
إضافة للسلة