كرسي مكينة فوقاني يمين سونك 19/12 افيو 19/12⭐⭐⭐

GMC & CHEVROLET & HUMMER

230

690

💡 اسم المنتج:

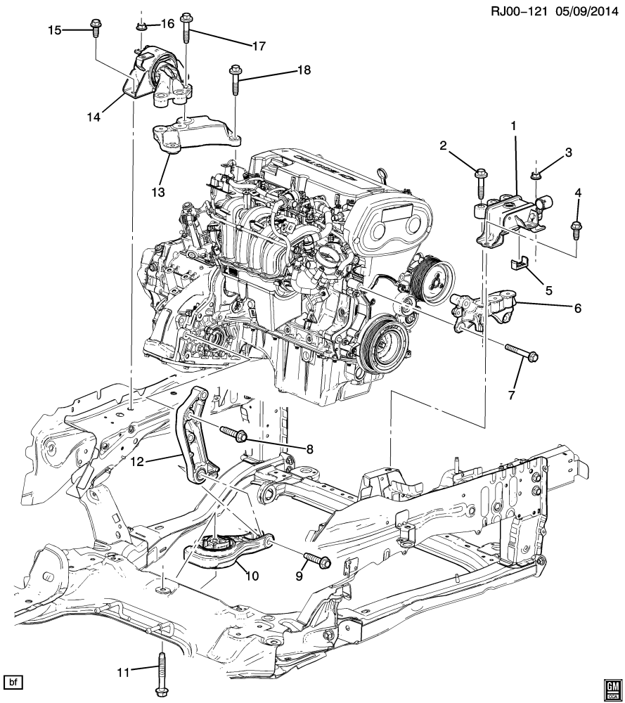
كرسي مكينة علوي يمين شيفروليه سونيك / أفيو | 2012–2019 | ⭐⭐⭐ جودة عالية

📝 وصف مختصر:

كرسي مكينة علوي يمين (Right Upper Engine Mount) مخصص لسيارات شيفروليه سونيك (Chevrolet Sonic) وشيفروليه أفيو (Chevrolet Aveo) موديلات 2012–2019، يقوم بتثبيت المحرك في مكانه وامتصاص الاهتزازات أثناء التشغيل.

مصمم بجودة ⭐⭐⭐ عالية لتحمل الضغط والحرارة وضمان راحة القيادة وثبات السيارة.

🚗 الموديلات المتوافقة:

CHEVROLET SONIC (2012–2019)

CHEVROLET AVEO (2012–2019)

(متوافق مع المحركات 1.4L و1.6L و1.8L – بنزين)

⚙️ مواصفات المنتج:

💠 القطعة: كرسي مكينة علوي يمين (Right Upper Engine Mount)

🧱 الخامة: قاعدة حديدية + جلدة مطاطية قوية لامتصاص الاهتزاز

🔧 التركيب: مباشر بدون تعديل – نفس المقاسات الأصلية

🧪 الجودة: ⭐⭐⭐ بديل تجاري عالي الجودة مطابق للمواصفات OEM

📦 الحالة: جديد 100% – غير مستخدم

🛠️ ملاحظات المحمادي:

✅ يوفر ثباتًا ممتازًا للمحرك ويقلل الاهتزاز

⚠️ يُفضل تغيير جميع قواعد المحرك عند وجود تآكل لتجنب نقل الاهتزازات

📷 الصور توضيحية فقط – تأكد من رقم القطعة قبل الطلب

🚚 تنتهي مسؤوليتنا بعد تسليم الشحنة لشركة النقل

🧾 تفاصيل إضافية:

🔢 رقم المنتج (SKU): يُحدّد لاحقًا

🗂️ التصنيف: نظام المحرك > قواعد المكينة > شيفروليه

⏳ حالة الجرد: ✅ متوفر

🚚 مدة التوصيل: 2–4 أيام داخل المملكة

🌍 الشحن: متاح لجميع مناطق الخليج – تغليف محكم وآمن

قراءة المزيد
الوزن 4.5 كجم

230

690
إضافة للسلة