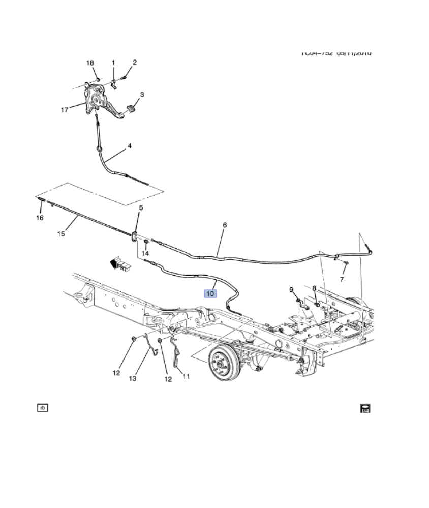
سلك جلنط خلفي يسار جمس/سيرا/سلفرادو/افلانش 13/10⭐⭐⭐

GMC & CHEVROLET & HUMMER

345

460

📝 بطاقة المنتج💡 سلك جلنط خلفي يسار جمس / سيلفرادو / سيرا / أفالانش 2010–2013 ⭐⭐⭐

📝 الوصف المختصر

سلك جلنط خلفي يسار (Rear Left Parking Brake Cable) عالي الجودة، مسؤول عن نقل قوة شد فرامل اليد إلى العجلات الخلفية. يضمن ثبات السيارة عند التوقف ويعزز الأمان.

🚗 الموديلات المتوافقة

  • CHEVROLET SILVERADO — 2010–2013
  • CHEVROLET AVALANCHE — 2010–2013
  • GMC SIERRA — 2010–2013
  • GMC YUKON — 2010–2013 (في بعض الفئات المتوافقة)

⚙️ مواصفات المنتج

  • 🧩 القطعة: سلك جلنط خلفي يسار (Rear Left Parking Brake Cable)
  • 🛡 الجودة: أصلي (OEM) / بديل تجاري متوفر
  • 📌 الوظيفة: نقل قوة فرامل اليد إلى العجلات الخلفية
  • 🔧 التركيب: مباشر بدون تعديل، متوافق مع النظام الأصلي

🏷️ تفاصيل المنتج

  • 📦 الكمية: متوفر (الحبة: يسار فقط)
  • 🗂️ التصنيف: نظام الفرامل > جلنط وكابلات
  • ⏳ حالة الجرد: ✅ متوفر

📌 ملاحظات المحمادي

  • ✅ يفضل تغييره زوجيًا (يمين + يسار) لضمان توازن الأداء
  • ✅ يتوفر كطقم كامل أو منفرد حسب الطلب
  • 🚚 شحن لجميع مناطق المملكة والخليج
  • ⏰ تجهيز الطلب خلال 24 ساعة
قراءة المزيد
الوزن 3.5 كجم

345

460
إضافة للسلة