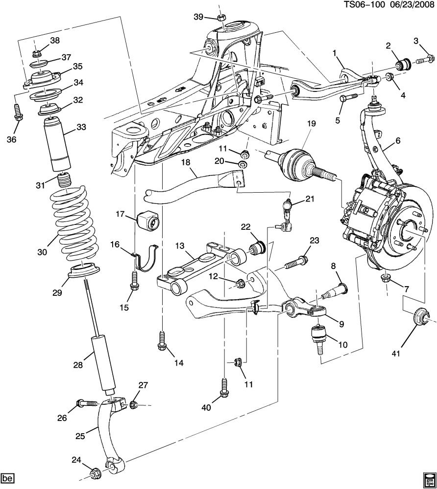
جوزة مقص تحتاني بليزر/انفوي 09/02

GMC & CHEVROLET & HUMMER

138

345
  • BUICK RAINIER 2004-2007
  • CHEVROLET SSR 2003-2006
  • CHEVROLET TRAILBLAZER 2002-2009
  • GMC ENVOY 2002-2009
  • ISUZU ASCENDER 2003-2008
  • OLDSMOBILE BRAVADA 2002-2004
  • SAAB 9-7X 2005-2009
الوزن 1.5 كجم

138

345
إضافة للسلة