مقص فوقاني جمس/سوبربان/يوكن/تاهو 20/15 ⭐⭐⭐

GMC & CHEVROLET & HUMMER

345

1,276.87

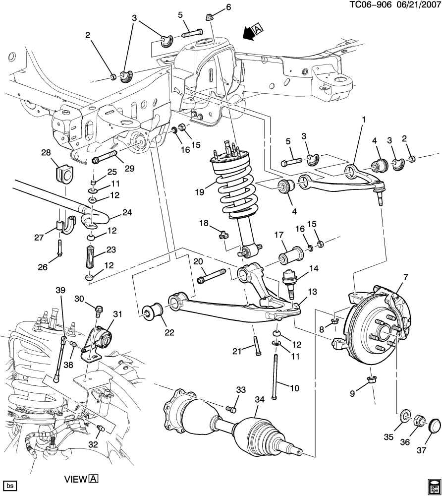
🔧 مقص علوي أمامي – جمس / تاهو / يوكن / سوبربان (2007–2020)

🛠️ بجودة عالية يضمن ثبات نظام التعليق الأمامي للسيارة

متوافق مع الموديلات التالية:

Cadillac Escalade | 2007–2020

Chevrolet Avalanche | 2007–2013

Chevrolet Silverado 1500 | 2007–2019

Chevrolet Suburban 1500 | 2007–2014

Chevrolet Suburban | 2015–2020

Chevrolet Suburban 2500 | 2011

Chevrolet Tahoe | 2007–2020

GMC Sierra 1500 | 2007–2018

GMC Sierra 1500 Limited | 2019

GMC Yukon | 2007–2020

GMC Yukon XL 1500 | 2007–2014

GMC Yukon XL | 2015–2020

📦 التركيب: مباشر – بدون تعديل

🔄 الجهة: متوفر يمين أو يسار (اختَر من نوع المنتج)

📌 الحالة: أصلي وبديل مطابق للأصل

  • 🚚 شحن سريع لجميع مناطق المملكة + دعم فني عبر واتساب للتأكيد 💬
قراءة المزيد
الوزن 2.5 كجم

345

1,276.87
إضافة للسلة