مساعد خلفي جمس/سوبربان/شفر 99/92 عادي ⭐⭐⭐

GMC & CHEVROLET & HUMMER

230

299

💡 اسم المنتج

مساعد خلفي جمس / سوبربان / شفر | 1992–1999 | ⭐⭐⭐ جودة عالية

📝 وصف مختصر

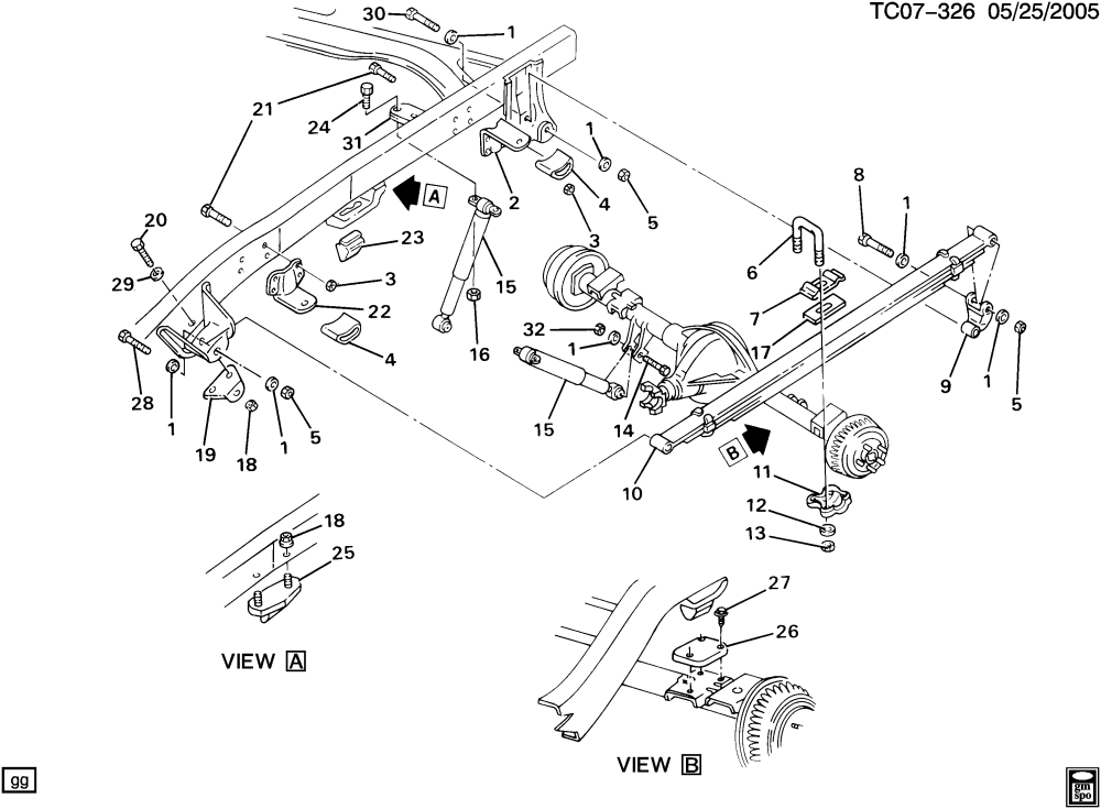
مساعد خلفي عادي (Gas/Oil Shock Absorber) مخصص لسيارات جمس وسوبربان وشفروليه موديلات 1992–1999.

يعمل على امتصاص الاهتزازات وتخفيف الصدمات لتوفير راحة وثبات أثناء القيادة على الطرق المعبدة والوعرة.

منتج بجودة ⭐⭐⭐ عالية مطابقة للمواصفات الأصلية OEM Fitment، سهل التركيب ومناسب للاستخدام اليومي.

🚗 الموديلات المتوافقة

  • CHEVROLETSuburban 1992–1999
  • C1500 Pickup 1988–1999
  • C1500 Suburban 1992–1999
  • Tahoe 1995–1999
  • Silverado 1500 1999

GMC

  • Suburban 1992–1999
  • C1500 Pickup 1988–1999
  • Yukon 1992–1999

⚙️ مواصفات المنتج

💠 القطعة: مساعد خلفي (Rear Shock Absorber)

🧱 النوع: عادي – غاز وزيت (Standard Type)

🔧 التركيب: مباشر – بدون تعديل

⚙️ الجودة: ⭐⭐⭐ بديل مطابق للمواصفات الأصلية

📦 الحالة: جديد 100%

🛠️ ملاحظات المحمادي

✅ مخصص للأنظمة الخلفية العادية (وليس دبل 8 مسمار)

✅ يُنصح بتبديل المساعدين الاثنين لضمان توازن السيارة

✅ يحسن الثبات أثناء التحميل أو القيادة الطويلة

🚚 تنتهي مسؤوليتنا بعد تسليم الشحنة لشركة النقل

🧾 تفاصيل إضافية

🔢 SKU: SHK-GM-9299-STD

🗂️ التصنيف: نظام التعليق > مساعدين خلفية

⏳ حالة الجرد: ✅ متوفر

🚚 مدة التوصيل: 2–5 أيام داخل المملكة

  • 🌍 الشحن: متاح لجميع مناطق الخليج
قراءة المزيد
الوزن 2.5 كجم

230

299
إضافة للسلة